Description
| Environmental Conditons | —20℃~50℃ | Number of Phases | 3 |
| Rotation Direction | CW/CCW | Insulation Class | F |
| Noise | ≤85dB | Protection Class | IP00 |
| Work Condition | S1.S2.S3 |
Advantages
- 01High Efficiency:
Due to the brushless design that eliminates frictional losses between the brushes and the commutator, BLDC motors are generally more efficient than brushed motors, especially under high load conditions.
- 02Low Maintenance:
Since there are no brushes, BLDC motors do not need to be replaced regularly, reducing maintenance costs and time.
- 03High Reliability And Long Life:
The brushless design reduces mechanical wear and improves the reliability and service life of the motor
- 04High Power Density:
BLDC motors can provide high power output in a small volume, which is suitable for application scenarios where space is limited.
05Precise Speed And Position Control:
Due to the electronic commutation mode of BLDC motors, precise speed and position control can be realized, which is suitable for applications that require high-precision control.
06Quiet Operation:
The brushless motor operates with low noise because there is no frictional noise of the brushes and commutators.
07High Speed:
BLDC motor can achieve high speed, suitable for high-speed applications, such as power tools and high-speed rotating equipment.
08Better Thermal Management:
The stator of brushless motors is usually surrounded by the rotor, which has a better heat dissipation effect and helps to improve the efficiency and life of the motor.
Motor Technical Data
| Electrical Specifications | |||||||||
| Model | Voltage | Frequency | Max power | Max Air Flow | Max Vacuum | Max Suction Power | Max Suction Efficiency | Temperature Rise | Life |
| V | Hz | W | L/S | Kpa | W | % | K | H | |
| BG 5.335''Vacuum Motor | 100-240 | 50/60 | 1200 | ≥47 | ≥20 | ≥300 | ≥26 | <90 | ≥350 |
| We can also customize products according to customer requirements. | |||||||||
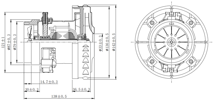
Mechanical Dimensions

Customizable solutions
Can provide custom voltage, electrical performance, circuit, noise,etc.
And lead wire, high-temperature class, drive, etc.
If you have any other needs, please contact our sales engineers.
Applications

Motor Selection Details
01Application Requirements:
Specific application scenarios (e.g., industrial robots, drones, power tools, AGVs, medical equipment, etc.)
Required operating environment (e.g., temperature range, humidity, dust and water resistance, etc.)02Motor Specifications:
Rated voltage and currentRated power and peak poweSpeed range (RPM, rpm)Torque requirements (rated torque and maximum torque)Efficiency requirements.
03
Dimensions & Weight:
Dimensions (diameter, length, etc.)Weight Limit.
04Control Requirements:
Control type (e.g. open-loop control, closed-loop control)、Type of sensor required (e.g. Hall sensor, encoder).
05Connection & Installation:
Type and size of shaft、Installation method (flange mounting, base mounting, etc.Wiring method and connector type.
06Power Requirements:
Power supply type (DC power, battery, AC power, etc.)Rated voltage range and allowable voltage fluctuations.
07Environmental Conditions:
Ingress protection (e.g. IP rating)、Operating temperature range、Operating temperature range、Operating temperature range.
08Other Special Requirements:
Noise level (for noise-sensitive applications, choose a low-noise, low-vibration motor).
Electromagnetic Compatibility (EMC)、Lifetime and reliability requirements.










